产品资料
  首页 >>> 产品目录 >>> 离心风机  >>>&nb����� �������Ƴ������������ �������Ƴ������������ �������Ƴ������������ �������Ƴ�������sp风淋室风机

大风量风淋室风机

如果您对该产品感兴趣的话,����� �������Ƴ������������ �������Ƴ������������ �������Ƴ������������ �������Ƴ�������可以
产品名称: 大风量风淋室风机
产品型号: SX-240NA
产品展商: 世煦
产品文档: 无相关文档

简单介绍

世煦机电设计生产的SX-����� �������Ƴ������������ �������Ƴ������������ �������Ƴ������������ �������Ƴ������240离心风机是一款大风量风淋室风机,适用于净化风淋室,����� �������Ƴ������������ �������Ƴ������������ �������Ƴ������������ �������Ƴ�������货淋室,风淋通道等净化设备及通风行业。����� �������Ƴ������������ �������Ƴ������������ �������Ƴ������������ �������Ƴ�������


大风量风淋室风机  的详细介绍
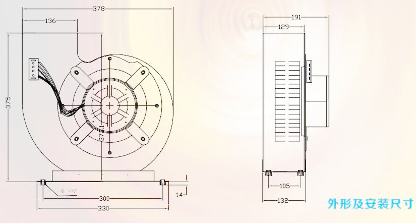
世煦机电设计制造的大风量风淋室风机SX-240NA,具有����� �������Ƴ����������� �������Ƴ������������ �������Ƴ������������ �������Ƴ�������体积小、风量大、风压高、噪音低、安装简便等
特点,是净化风淋室,风淋通����� �������Ƴ������������ �������Ƴ������������ �������Ƴ������������ �������Ƴ�������道,货淋室的理想配件,产品销往国内及亚太地����� �������Ƴ������������ �������Ƴ������������ �������Ƴ������������ �������Ƴ�������区,获得一致好评。

世煦机电风淋室风机基本参数如下,本公司����� �������Ƴ������������ �������Ƴ������������ �������Ƴ������������ �������Ƴ�������产品具有超高性价比,是您����� �������Ƴ����������� �������Ƴ������������ �������Ƴ������������ �������Ƴ�������的理想选择,欢迎来电垂询!


风机型号
风量
全压
电压
输入功率
转速
SX-240
2500M3/h
1100Pa
380/220V
750W
2800r/1400/min
SX-146
800M3/h
350Pa
 220V
180W
1100/min
SX-DF-5
950M3/h
1200Pa
380V
550W
2800r/min
SX-DF-7
1250M3/h
1400Pa
380V
750W
2800r/min
SX-240-2
3200M3/h
470Pa
380/220V
500W
1250/min
SX-195
1200 M3/h
900Pa
380/220V
550W
2800r/1400/min
SX-160
950M3/h
850Pa
380/220V
370W
2850r/1400/min
SX-200
1500M3/h
1000Pa
380/220V
600W
2800r/1400/min

产品留言
标题
联系人
联系电话
内容
验证码
点击换一张
注:1.可以使用快捷键Alt+S或Ct����� �������Ƴ������������ �������Ƴ������������ �������Ƴ������������ �������Ƴ�������rl+Enter发送信息!����� �������Ƴ������������ �������Ƴ����������� �������Ƴ������������ �������Ƴ�������
2.如有必要,请您留下您的详细联系方式!